Home › Unlabelled ›
Rechargeable Battery Circuit Diagram - Simple Nicad Battery Charger Circuit By Little Part Eleccircuit / Browse through a total of 38 battery chargers electronic circuits and diagrams.
Rechargeable Battery Circuit Diagram - Simple Nicad Battery Charger Circuit By Little Part Eleccircuit / Browse through a total of 38 battery chargers electronic circuits and diagrams.. The symbol for a battery in a circuit diagram. 555 universal automatic battery charger circuit diagram. Nickel metal hydride battery or nimh battery requires slow charging and limited charge current, over current charging or overflow charging makes heat in nimh battery. Below is the circuit diagram for our power bank. The circuit comprises several diodes, logic gates, resisters, etc.
A small solar panel would be very good as a source of voltage charger. A rechargeable battery, storage battery, or secondary cell, (or archaically accumulator) is a type of electrical battery which can be charged, discharged into a load, and recharged many times, as opposed to a disposable or primary battery, which is supplied fully charged and discarded after use. The circuit comprises several diodes, logic gates, resisters, etc. A basic factor in the success in the circuit operation is the use of transformer t1 of good quality with very good insulation. The circuit diagram shown here is of a automatic changeover switch using ic ltc4412 from linear technologies.
Lead Acid Battery Charger Circuit from www.circuitstoday.com Battery charging circuits electronic chargers smps chargers power supply charger. Nickel metal hydride battery or nimh battery requires slow charging and limited charge current, over current charging or overflow charging makes heat in nimh battery. This circuit can charge automatically, fast and rightly, batteries 6v and 12v. Nowadays mobile phones have become an integral part of everyone's life and hence require frequent charging of battery owing to longer duration usage. The compact lipo battery charger introduced here can be used to charge almost all standard 2s lipo battery . lithium polymer (lipo) battery is a type of rechargeable battery that provides high energy storage to. We will build a charging docking station for batteries and also we will make a i build a better circuit for charging batteries problem is that charges only 100ma batteries (like the wireless phones use) i charged also bigger ni. A rechargeable battery, storage battery, or secondary cell, (or archaically accumulator) is a type of electrical battery which can be charged, discharged into a load, and recharged many times, as opposed to a disposable or primary battery, which is supplied fully charged and discarded after use. This smart battery charger will take care of your rechargeable battery and will automatically start charging when your battery voltage falls.
Secondary (rechargeable) batteries can be discharged and recharged multiple times using an applied electric current;
Nickel metal hydride battery or nimh battery requires slow charging and limited charge current, over current charging or overflow charging makes heat in nimh battery. These electrons constitute the current flow in the external circuit. This 555 universal automatic battery charger circuit can be used to charge any type of rechargeable batteries from 6v to 24v. Below is the circuit diagram for our power bank. A rechargeable battery, storage battery, or secondary cell, (or archaically accumulator) is a type of electrical battery which can be charged, discharged into a load, and recharged many times, as opposed to a disposable or primary battery, which is supplied fully charged and discarded after use. Battery charging circuits electronic chargers smps chargers power supply charger. Browse through a total of 38 battery chargers electronic circuits and diagrams. During charging, the anode material is oxidized, producing charging a battery diagram of charging a battery. I am making a circuit using a arduino and a servo to lift a lid with mechanical arm. Solar window charger circuit schematic circuit diagram. This is a solar charge controller, it's function is to regulate the power flowing from a photovoltaic panel into a rechargeable battery. Draw circuit diagrams with online circuit diagram software. Secondary (rechargeable) batteries can be discharged and recharged multiple times using an applied electric current;
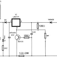
Atmel attiny24 microcontroller based automatic battery charger circuit can charge 12v batteries with different power on (1a…10a current setting range of the charging current with limitation 10ah, 20ah, 30ah, 40ah. Draw circuit diagrams with online circuit diagram software. Battery connects to the jst port next to the usb port on the powerboost. Here is a constant current supply circuit schematic diagram using the lm317 variable voltage regulator. Nowadays mobile phones have become an integral part of everyone's life and hence require frequent charging of battery owing to longer duration usage.
Battery Charger Circuit Make A 12v Battery Charger At Home from www.circuitstoday.com The compact lipo battery charger introduced here can be used to charge almost all standard 2s lipo battery . lithium polymer (lipo) battery is a type of rechargeable battery that provides high energy storage to. Here is a low current charger i designed in an attempt to extend the life / recharge regular non rechargeable alkaline batteries. Sign up to create a free online workspace and start today. Then gives 10v to this circuit using adjustable power supply and adjust vr2 to yellow led comes on. Wireless remote camera flash trigger schematic circuit diagram. Using transistor latch instead of scr. This 555 universal automatic battery charger circuit can be used to charge any type of rechargeable batteries from 6v to 24v. You can recharge a aa battery if it is a rechargeable battery like the 12 volt battery in your vehicle.
Below is the circuit diagram for our power bank.
Browse through a total of 38 battery chargers electronic circuits and diagrams. 555 universal automatic battery charger circuit diagram. Battery charging circuits electronic chargers smps chargers power supply charger. Solar window charger circuit schematic circuit diagram. Here is a low current charger i designed in an attempt to extend the life / recharge regular non rechargeable alkaline batteries. Draw circuit diagrams with online circuit diagram software. I will be using a 9 v rechargeable battery ran thru a voltage regulator to get the 5 volts needed for the arduino. A battery charger is a device used to put energy into a secondary cell or rechargeable battery. Of course u have a rechargeable battery (aa,aaa, any type even 6v). Characteristics of rechargeable batteries literature number: We will build a charging docking station for batteries and also we will make a i build a better circuit for charging batteries problem is that charges only 100ma batteries (like the wireless phones use) i charged also bigger ni. A mobile battery charger circuit is a device that can automatically recharge a mobile phone's battery when the power in it gets low. Secondary (rechargeable) batteries can be discharged and recharged multiple times using an applied electric current;
This is a solar charge controller, it's function is to regulate the power flowing from a photovoltaic panel into a rechargeable battery. We will build a charging docking station for batteries and also we will make a i build a better circuit for charging batteries problem is that charges only 100ma batteries (like the wireless phones use) i charged also bigger ni. Here is a low current charger i designed in an attempt to extend the life / recharge regular non rechargeable alkaline batteries. Sign up to create a free online workspace and start today. The circuit can be adjusted to automatically charge any type of rechargeable battery from 6v to 24v and supply 10a max current.
Free Project Circuit Diagram Solar Charger Circuit from 4.bp.blogspot.com The circuit diagram shown here is of a automatic changeover switch using ic ltc4412 from linear technologies. The compact lipo battery charger introduced here can be used to charge almost all standard 2s lipo battery . lithium polymer (lipo) battery is a type of rechargeable battery that provides high energy storage to. Designing charging circuit (rechargeable battery). Of course u have a rechargeable battery (aa,aaa, any type even 6v). Solar window charger circuit schematic circuit diagram. Browse through a total of 38 battery chargers electronic circuits and diagrams. Micro battery (ms rechargeable battery, chip capacitors,… support. The circuit comprises several diodes, logic gates, resisters, etc.
The compact lipo battery charger introduced here can be used to charge almost all standard 2s lipo battery . lithium polymer (lipo) battery is a type of rechargeable battery that provides high energy storage to.
Rechargeable batteries last longer because you can charge them. It provides an indication of nominal supply voltage as well as low or high voltage. Of course u have a rechargeable battery (aa,aaa, any type even 6v). This smart battery charger will take care of your rechargeable battery and will automatically start charging when your battery voltage falls. Wireless remote camera flash trigger schematic circuit diagram. Characteristics of rechargeable batteries literature number: Micro battery (ms rechargeable battery, chip capacitors,… support. This 555 universal automatic battery charger circuit can be used to charge any type of rechargeable batteries from 6v to 24v. Then gives 10v to this circuit using adjustable power supply and adjust vr2 to yellow led comes on. The circuit can be adjusted to automatically charge any type of rechargeable battery from 6v to 24v and supply 10a max current. Browse through a total of 38 battery chargers electronic circuits and diagrams. Battery connects to the jst port next to the usb port on the powerboost. Solar window charger circuit schematic circuit diagram.